|
摘要
:
本文介绍了转子式流速仪脉冲信号的处理方法以及实际应用中的设计方法及在流速仪检定
/校准和智能流量测算仪中的应用实例
关键词:
流速仪检定
信号调理
信号采集
智能流量测算仪
1
引言
我国是一个水资源丰富的国家,在水文工作中流速仪被广泛应用于河流及海流流速的测量。流速仪在出厂前或在野外使用过一段时间后需要进行检测检定,以确定流速仪转速和水流速度之间的关系。近年来,随着计算机技术在流速仪检定行业的广泛应用尤其是国家
BG/T 21699-2008《直线明槽中转子式流速仪的检定方法》以及
GB/T 11826-2002《转子式流速仪》国家标准的出台,人们对流速仪检定设备以及测流设备的可靠性和自动化程度的要求越来越高。
但是流速仪脉冲信号比较复杂,信号调理及采集工作既是流速仪检定和使用中的重点也是难点。为此本文提出了一种软硬结合的流速仪信号调理方法,并在华北水文仪检中心的检定槽改造及智能流量测算仪中得到应用取得了较好的效果。
2
流速仪检定介绍
流速仪旋浆的转速和水流流速在临界点以上满足线性关系:
V=a+bn,其中
n为转子转率即
r/s,
v是水流流速
m/s,
b为水力螺距,
a为仪器常数。流速仪检定的目的,简单的说就是为了确定检定公式中的
a、
b值。
目前确定公式中的
a、
b值是通过流速仪检定水槽进行实际测量,也就是静水槽检定法。检定程序是这样的:在横断面均匀一致的直线静水槽两侧铺有轨道,导轨上运行检定车。将流速仪悬挂在检定车上并深入水中一定位置(通常在水下
0.6
-0.8
米
),人工或自动控制检定车以各种检定速度牵引流速仪,从而使流速仪和静水之间存在一个相对运动。当运行平稳后,计算机发出指令进入转速/转率测量单元,测出流速仪仪器转率,而把检定车相对于静水的速度作为水流速度,进而确定
V-N关系,用方程式与图表建立相关关系,最后检定结果对流速仪各项性能给出定量评定。
3
流速仪信号调理
3.1
流速仪信号特点
流速仪信号是通过干簧管吸合或机械触丝的通断产生,在理想状态下应该是规则的脉冲。但是流速仪信号容易受到以下因素的干扰:
首先,干簧管触丝在完全吸合或完全脱离前的临界状态下,两个触点会产生非良好接触,因而在流速仪脉冲信号前沿和后沿都会有一定时间长度的抖动信号。
其次流速仪检定槽长期使用后,水会变得不纯净从而水的导电率增加,这样就相当于在流速仪的两个水下接线柱之间存在一个水电阻从而影响到流速仪输出信号。
此外,流速仪检定车上装有大功率同步电机及变频器,流速仪信号从接线端取出,经导线与连接板连接,然后经过电机,变频器,接触器等大电流交流器件的过程中容易受到电磁干扰,因此流速仪信号中常常会窜入尖峰干扰。

由于以上干扰,实际环境中测量到得流速仪信号与理论中的相距甚远,上图
1对两种信号进行了对比。如果直接把这种脉冲信号送入计算机处理器,将会导致计算机重复计数从而直接影响到流速仪检定精度;同时脉冲信号中的尖峰干扰对计算机硬件也会产生致命损害。因此需要针对流速仪信号的特点,采用软硬结合的方法在流速仪信号和计算机计数接口之间设计一套合理的信号调理系统。
3.2
硬件信号调理
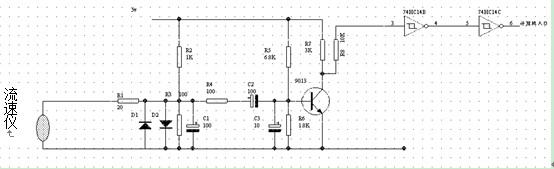
从流速仪接线柱引出的脉冲信号不能直接接入计算机处理器,需要经过信号转换、滤波、隔离、去抖动、放大、整形等硬件电路后才等满足计算机的采集要求。硬件流程图如下图
2所示:

信号转换电路负责把流速仪干簧管的吸合转换为相应的脉冲形式;利用
RC电路的滤波特性组成简单的衰减滤波网络对窜入接口的强干扰脉冲进行衰减和抑制,并利用二极管的特性进一步限幅,克服水的导电性带来的干扰,使进入以后电路的干扰信号得到最大的抑制,同时利用电容的隔直特性把流速仪电信号与计算机系统上的电器分离,然后采用三极管进行信号变换,使之适应计算机系统的脉冲幅度然后再进行整形。
流速仪信号经过信号转换、滤波、隔离、去抖、放大整形处理后,信号已基本满足计算机处理的要求,并有效防止了干扰,可以接入计算机计数器接口。硬件调理电路示意图如下:

图
3
流速仪信号调理原理图
3.3
软件滤波
由于流速仪型号众多,仪器状态也各不相同,这就决定了每架流速仪的干扰及抖动情况也各不相同,因此为了保证在采集流速仪信号过程中的准确可靠性,弥补硬件电路的不足,以使其接口适合各种流速仪,还通过软件滤波的方法提高信号质量。
在对流速仪信号进行软件滤波处理时,要根据不同的应用场合采用不同的滤波方法;在流速仪检定车上时,由于其一次要检测多个不同的速度,但仪器型号基本相同,这样就应该选取
a*t消抖动,也就是说在检定车上时,根据不同的仪器类型,选择不同的距离延迟作为防抖动的措施应该是流速仪检定车进行软件滤波的首选措施。而在实际的流速测量时,由于已经没有了距离信号再加上一个断面有可能使用各种不同的流速仪,因此必须灵活设置滤波措施,而能灵活设置的流速仪参数只有时间,所以在软件的编写过程中流速仪的记录信号的仪表必须能随时改变信号采集时的延迟时间,最大限度地提高信号采集的可靠性和准确性。软件滤波的信号示意图如下:

4.
设计应用情况
基于以上理论,我们在我省的华北仪检中心的检定车上进行了应用,我们是用图
3所示的电路
3套分别对应了三架流速仪制作成了可以同时悬挂
3架流速仪的检定车检定系统,硬件电路整形完毕后进入可编程控制器及工业控制计算机,然后用软件对流速仪信号进行滤波,同时对检定车进行控制。经过多年的使用,取得了较好的效果,至今没有发现不能适应的流速仪型号。这也充分证明了这一理念的有效性和实用性。
同时基于以上理念,华北水文仪检中心研制开发了利用单片机的智能流量测算仪,有效的解决了流速仪信号的干扰问题,解决了在流速仪测流中二次仪表设计中的难点,经过几年的使用验证,彻底解决了流速仪测流中二次仪表只能每种型号的流速仪必须配专用的二次仪表的问题,使该智能流量测算仪能适应现在使用中的大部分流速仪型号。
5
结束语
经过长时间的应用,基于以上理念的硬件电路和软件设计思想,是解决流速仪信号干扰问题的有效途径,它具有设计简单化繁为简的特殊功效,同时也为水文行业开发其他设备提供了比较理想的设计思想。
参考文献
:
[1]GB/T 21699-2008,直线明槽中转子式流速仪的检定方法
[2]
梁岚珍
,陈志军
,南新元
.流速仪信号
采集
设计
[J].自动化仪表
,2002,23(9).
(3)
张安,流速仪信号调理与采集系统设计
|