|
摘要:随着技术的进步
PDA的性能也越来越先进,但如何利用其先进技术及通用性应用到水文行业,从而克服水文行业的仪器功能单一,成本高等缺陷,降低水文职工的学习难度是值得研究的一个方面。本文就试图让
PDA在水文行业作为多功能的仪器进行应用做一探讨。使水文仪器能有较大提高。
关键词:
PDA
水文
水位雨量
流速 数据采集 缆道
1
认识
PDA
1.1
简介
PDA
相对于传统电脑,
PDA的优点是轻便、小巧、可移动性强,同时又不失功能的强大,缺点是屏幕过小,且电池续航能力有限。便携性介于传统
和
PDA之间的个人电脑产品有笔记本电脑及平板电脑。
第一款
PDA是
1992年由
出品的
Newton。但这一款产品在商业上很不成功。后来出现了专门为了手写输入的
Graffiti输入法,一家利用此方法作为输入法的
PDA公司推出了
Palm这一个系列的产品,并获得了巨大的成功。在
20世纪末,微软进入这一个领域,并首先推出了
Windows CE 1.0操作系统,但该系统在各方面表现并不尽如人意,但后来微软推出的
Windows Pocket Edition 2002一举奠定了
PPC操作系统领先的地位。
目前最受欢迎的掌上电脑操作系统平台分别有
Palm OS及微软
Windows Mobile系列。
1.2
分类
PDA
其实应该细分为
、掌上电脑、手持电脑设备和个人通讯助理机四大类。而后两者由于技术和市场的发展,已经慢慢融合在一起了。
1.2.1
电子词典
在所有的
PDA类产品中,这是最简单的一款。它主要的功能就是提供了中英文互译、电话号码存储、英语单词朗读等功能,它的特点就是其所有的程序都是固化在存储器上,因而存储能力有限,功能也比较单一且不具有扩充性。但这些产品也有其不可比拟的优势。如它们针对性比较强,提供了所需的功能,如游戏、计算、记事等。另外,它也有体积小,操作简单等特点。此类电子词典的代表有
、
、
等。当然,现在一些新型的电子词典也提供了通讯的功能。通过附加的连接套件,你可以和电脑以及同类产品之间交换数据。而市面还有些电子记事本,这类将重点放在了记事和日常的商务管理上。这些产品往往存储容量比较大,但其本质还是和电子词典一样,其程序都是固化在存储芯片上的,同样不具备扩展能力。这类产品的典型代表就是我们熟悉的商务通。
1.2.2
掌上电脑
通常,数码世界只会将这类的掌上电脑才会称为是
PDA,也正代表了
PDA的真正含义。因为它几乎有一般家用电脑的所有功能。掌上电脑最大的特点就是他们有其自身的
,一般都是固化在
ROM中的。其采用的存储设备多是比较昂贵的
IC闪存,容量一般在
16 MB左右。掌上电脑一般没有键盘,采用手写和软键盘输入方式,同时配备有标准的串口、红外线接入方式并内置有
MODEM,以便于个人电脑连接和上网。掌上电脑和前面的产品最大的区别,就是它的应用程序的扩展能力。基于各自的操作
,任何人可以利用编程语言开发相应的应用程序。你也可以在你的掌上电脑上任意安装和卸载。由于其功能非常的完备,所以在操作上也比较复杂,不太适合对电脑不太了解的初级用户。
而在掌上电脑部分,还会按操作系统的不同,分为
Palm和
PocketPC。
Palm采用
Palm OS系统,由
公司开发;而
PocketPC采用
WinCE的系列系统,由微软开发。因为机体性能及系统的差别,这两种机体还是有相当的差别的。
1.2.3
手持电脑设备
手持电脑设备的英文名称叫
HPC,即
Hand held PC的意思。这是一种介于笔记本电脑和掌上电脑之间的产品。为什么这样说呢?因为它有着掌上电脑通用的操作系统,但却配有小型的键盘。而其外型则类似于传统的笔记本电脑。它的功能要比掌上电脑来的强大,但同样的体积和重量也要增加,所以在便携性能上较之掌上电脑为差。
1.2.4
军用
PDA
军用
PDA具有良好的读卡功能,
GPS定位功能也非常强大,可在室内靠窗
两米范围内接收
GPS信号,并支持步行模式,适合电话巡检和巡查等业务,该产品具有抗震抗摔
,耐高低温等特点,适用于各种复杂恶劣的作业环境。据
市场分析师透露,该产品采用为终端的应急通讯系统可以应用到军队、公安、监狱、消防、地震救灾、武警防爆、海关缉私、易燃易爆品溯源等领域。目前国内军用
PDA生产厂家有创羿科技、远望谷、上海华虹、维深集团等。
1.2.5
个人通讯助理机
个人通讯助理机在这么多类产品中是显得最时尚的一种。它的概念就是将掌上电脑的一些功效和手机、寻呼机相结合而产生的。这种产品的最大特点就是其舍弃了一般的电话线而采用无线的数据接收方式,使产品的适应性更强。虽然如果单一而论,早期的产品是以手机为出发点而
的产品,其的商务功能要明显逊于一般的掌上电脑,仅相当于一般电子记事本的
,而目前基于
WinCE系统和
Palm开发的
,统称
SmartPhone,其功能与掌上电脑持平或更高,而还拥有通讯功能和无线数据交换,更代表将来掌上电脑的发展方向。
1.3
总结
PDA
是
Personal Digital Assistant的缩写,字面意思是
“个人数字助理
”。 这种手持设备集中了计算,电话,传真,和网络等多种功能。它不仅可用来管理个人信息(如通讯录,计划等),更重要的是可以上网浏览,收发
Email,可以发传真,甚至还可以当作手机来用。尤为重要的是,这些功能都可以通过无线方式实现。当然,并不是任何
PDA都具备以上所有功能;即使具备,也可能由于缺乏相应的服务而不能实现。但可以预见,
PDA发展的趋势和潮流就是计算、通信、网络、存储、娱乐、电子商务等多功能的融合。
2
水文测验
水文测验就是水文测站上进行的测量任务,包括测量水位、雨量、水量(包含测量流速和河道断面的设备)以及防汛测报及收集水文资料等。
2.1
水位
水位可分为地表水水位和地下水水位,是水文测验中很重要的测量参数
,观测面广,观测历史最长,测量方法和使用的仪器设备也较为成熟。按需要和观测场合的不同,可分为用人工观测水尺测得水位;观读测绳,测尺测得地下水位;使用自记水文计自动测记水位,并可配以远传遥测功能。按感应方式分类,目前有浮子式水位计、压力式水位计、气介式或液介式超声水位计。按记录方式分类,有模拟(划线)记录方式、打印式和固态存储记录方式。其中打印记录用的很少,固态存储记录技术最为先进,现已大量应用,本文也以此进行论述(以下所述水位传感器就是此仪器
,不再特别提示)。
2.2
雨量
雨量就是下雨的数量,用来观测雨量的仪器成为雨量计,目前大量使用的为翻斗式雨量计
;翻斗式雨量传感器可分为单翻斗和双翻斗式。单翻斗式其结构简单,在特大雨强情况下,也能保证一定的测量精度,由于它能方便地将降雨量转换成电信号输出,所以在水文测报系统中得到广泛应用。本文所述也以此类仪器为准。
2.3
水量
水量就是流量测测验;流量测验主要是指对河、渠和大型过水管道的流量测量。流量测量大多系利用测量水体流速与过水断面面积,从而推求的流量。用来进行流量测验的仪器设备主要有:转子式流速仪和用来搭载流速仪进行测量的过河缆道及电控设备。
2.4
防汛测报及水文资料收集
防汛测报及水文资料收集就是以上参数收集后,通过网络发送到指定地址并进行分析计算的设备。
3
现状及分析
当前水文站的上述设备大都是各自为政,每套设备有每套设备的专门设备,且批量都很小。这就造成了水文设备开发费用的极大提高,从而使仪器的造价非常高,而水文行业又是纯公益性的行业,经费问题造成水文行业的技术进步跟不上社会的技术进步。而纵观水文站的设备,其传感器大都有一共同点,就是单一的开关脉冲信号,且频率不高,最多有
100次
/每秒就可基本满足其需要,这就决定了水文设备的运行速度不用太高,关键是能满足水文站在野外工作的性质
;即便携、省电、方便并能最大限度通用。但水文测量设备也有其特殊性;就是其传感器在不同的介质下,如流速仪需要在水中进行测量且不同的型号,其信号的抖动特性也存在很大的不同,这就要求要有特殊的防抖措施。因此采用
PDA的灵巧、方便及便携的特点,再配以特殊的接口电路应该能满足以上水文测量的绝大部分要求,做到一机多用。暂且把这种仪器叫做水文控制平台
4
水文控制平台的设计方案
通过以上分析我们可以得出用
PDA加入接口电路后完全能满足水文测量的大部分工作要求,我们所要做的是选择合适的
PDA和研发与匹配的接口电路。考虑到我们是借用
PDA,而不是研发,因此根据现下的
PDA功能及速度,基本上大部分都能满足测量的速度及容量要求,唯一的是有的不带上网功能,考虑到平台需要上网发送信息因此,选择
PDA只要选择带上网功能的就可以进行开发设计。选好
PDA后我们所要做的是在其操作系统下开发水文测量的应用软件,而这正是选择
PDA的重要原因之一。
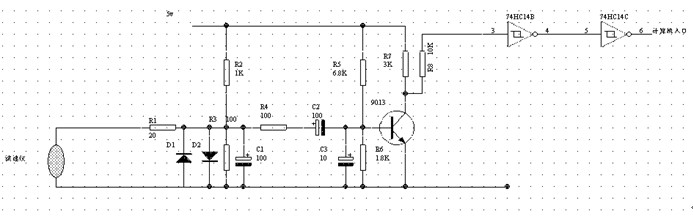
水文传感器与
PDA的接口是设计的难点,也是水文控制平台成功与否的关键,根据我们多年的实际经验与水文传感器的特点,我们开发的以下接口电路应能满足要求。具体电路如下:

其工作原理是
:信号转换电路负责把水文测量传感器的开关信号转换为相应的脉冲形式;利用
RC电路的滤波特性组成简单的衰减滤波网络对窜入接口的强干扰脉冲进行衰减和抑制,并利用二极管的特性进一步限幅,克服水的导电性带来的干扰,使进入以后电路的干扰信号得到最大的抑制,同时利用电容的隔直特性把流速仪电信号与
PDA上的电器分离,然后采用三极管进行信号变换,使之适应
PDA系统的脉冲幅度然后再进行整形。
水文测量传感器信号经过信号转换、滤波、隔离、去抖、放大整形处理后,信号已基本满足
PDA处理的要求,并有效防止了干扰,可以接入计算机计数器接口。然后利用
PDA开发的不同软件采集不同传感器信号进行计算处理,形成水文标准的数据格式并进行发送传递,完成整个平台的工作。
5
结论
现代
PDA技术引入到水文测量中,使这种经典的测量方法发生了深刻的变革,在实际应用中一定会取得了良好的效果。采用
PDA技术的水文测量使现场测试工作变得简单、快捷,计算工作量减少、精度更高,提高了工作效率。改进后的测量方法有广阔的应用前景,能更好地为科研和生产服务。
|